A register capable of shifting in one direction only is a unidirectional shift register. A register capable of shifting in both directions is a bidirectional shift register.
Universal Shift Register
AU:
Dec.-08, 10, May-09,10
• A register capable of shifting in one
direction only is a unidirectional shift register. A register capable of
shifting in both directions is a bidirectional shift register.
• If the register has both shifts (right
shift and left shift) and parallel load capabilities, it is referred to as
universal shift register.
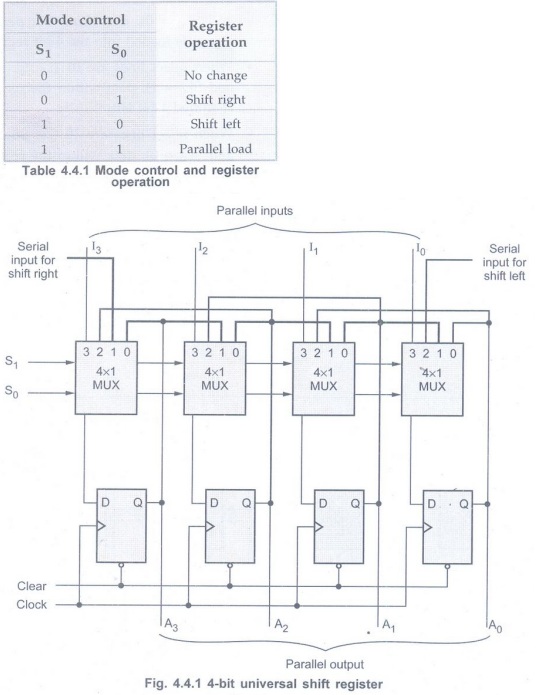
• The Fig. 4.4.1 shows the 4-bit
universal shift register. (See Fig. 4.4.1 on next page)
• It consists of four flip-flops and four
multiplexers.
• The four multiplexers have two common
selection inputs S1 and S0, and they select appropriate
input for D flip-flop.
• The Table 4.4.1 shows the register
operation depending on the selection inputs of multiplexers.

• When S1S0= 00,
input 0 is selected and the present value of the register is applied to the D
inputs of the flip-flops. This results no change in the register
value.
• When S1S0 = 01,
input 1 is selected and circuit connections are such that it operates as a
right shift register.
• When S1S0 = 10,
input 2 is selected and circuit connections are such that it operates as a left
shift register.
• Finally, when S1S0=11,
the binary information on the parallel input lines is transferred into the
register simultaneously and it is a parallel load operation.
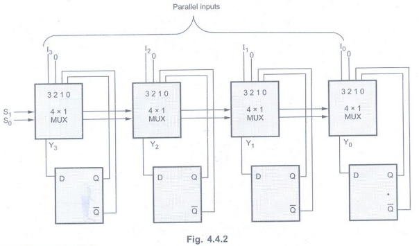
Example 4.4.1
Draw the logic diagram of a 4-bit shift register with four D flip-flops and
four 4x1 multiplexer with mode selection inputs S1 and S0.
The register operates as follows. AU: Dec.-08, Marks 12

Solution:
The Fig. 4.4.2 shows the register that does the given operations.

Review Questions
1. What is meant by universal shift
register? Explain the principle of operation of 4-bit universal shift register.AU
May-10, Marks 12
2. Explain the operation of universal shift register with neat block diagram. AU: Dec.-08, 10, May-09, Marks 10
Digital Principles and Computer Organization: Unit II (c): Registers : Tag: : Registers - Digital Principles and Computer Organization - Universal Shift Register
Digital Principles and Computer Organization
CS3351 3rd Semester CSE Dept | 2021 Regulation | 3rd Semester CSE Dept 2021 Regulation